Widget HTML Atas

Kitchenaid Dryer Troubleshooting Guide / 1 - See this guide by ereplacementguides:

Kitchenaid Dryer Troubleshooting Guide / 1 - See this guide by ereplacementguides:. On the left edge of the dishwasher's door. If you have a kitchenaid dishwasher not draining, try these troubleshooting tips to help identify the cause. See this guide by ereplacementguides: Kitchen appliances to bring culinary inspiration to life | kitchenaid. Mixer will not turn on.

Make sure the kitchenaid mixer is firmly plugged into a working outlet and the cord is not twisted or split. 21 kitchenaid dryer warranty length kitchenaid kitchenaid of warranty: You are free to download any kitchenaid dryer manual in pdf format. · remove some of the load and restart the dryer. Free kitchenaid dryer help, support & customer service.

Kitchenaid Denver C Dryer Denver C Dryer En 857586612080 Guide De Consultation Rapide
Kitchenaid Denver C Dryer Denver C Dryer En 857586612080 Guide De Consultation Rapide from img.yumpu.com
Ask your household and kitchen appliance questions. Diagnostics & troubleshooting, electric dryers, display fault/error codes. ℹ️ kitchenaid dryer manuals are introduced in database with 58 documents (for 76 devices). Kitchenaid pro line khev01rss manual online: The fix is probably good for many other makes and models of dryer. To reduce the risk of fire, electric shock, or injury to persons when using your dryer, follow basic precautions, including the following · remove some of the load and restart the dryer. Recent kitchenaid dryer questions, problems & answers.

Kitchenaid clothes dryer troubleshooting and repair guide.

· remove some of the load and restart the dryer. The good news is you might be able to fix it yourself. How to troubleshoot a kenmore elite gas dryer that won't heat to narrow down your search for our expert guide can help you. On the left edge of the dishwasher's door. How to buy the best tumble dryer the notion of a leaky dishwasher. 21 kitchenaid dryer warranty length kitchenaid kitchenaid of warranty: Kitchenaid classic mixer k45sswh troubleshooting. Diagnostics & troubleshooting, electric dryers, display fault/error codes. Ask your household and kitchen appliance questions. User manuals, kitchenaid dryer operating guides and service manuals. Normal sounds you may hear. If the dryer is heating but if your kitchenaid dryer is still heating but heating slowly and generally doing a poor job of drying your clothes, there is likely a problem with the airflow. View and download kitchenaid 2209477 instruction manual online.

See this guide by ereplacementguides: Warranty repair labor costs to 1. Or at least the troubleshooting is similar. Browse online operating user's guides, owner's manual for kitchenaid dryers free. First try the solutions suggested here.

Whirlpool Hscx 80531 Dryer Service Technicians Manual Viking Appliances Refrigerators Kitchen Aid Appliances Whirlpool Appliance
Whirlpool Hscx 80531 Dryer Service Technicians Manual Viking Appliances Refrigerators Kitchen Aid Appliances Whirlpool Appliance from i.pinimg.com
Correct the installation of from date of correct defects in materials the dryer. Kitchenaid khev01rss manual content summary: See this guide by ereplacementguides: Is your kitchenaid dryer not turning? If you need further assistance or more recommendations that may help you avoid a service call, refer to the warranty page in this manual and scan the code there with your mobile trouble. To reduce the risk of fire, electric shock, or injury to persons when using your dryer, follow basic precautions, including the following Use this free guide to diagnose and fix a clothes dryer. Strange noises, dryer vibration, loss of heat and no power are all common problems with simple solutions that kitchenaid describes in the troubleshooting section of.

Strange noises, dryer vibration, loss of heat and no power are all common problems with simple solutions that kitchenaid describes in the troubleshooting section of.

Strange noises, dryer vibration, loss of heat and no power are all common problems with simple solutions that kitchenaid describes in the troubleshooting section of. If your kitchenaid dryer is not heating, this guide will take you through the common reasons why and how you can fix them. We make it easy to diagnose and resolve fridge issues. The data base provides 58 user directories as well as instruction manuals for 52 various kitchenaid dryer models. If you need further assistance or more recommendations that may help you avoid a service call, refer to the warranty page in this manual and scan the code there with your mobile trouble. Is your kitchenaid dryer not turning? Looking for a kitchenaid refrigerator repair manual? Do you have a kitchenaid dishwasher not draining? 58 free kitchenaid dryer manuals (for 52 devices) were found in bankofmanuals database and are available for downloading or online viewing. All pdf user's guides are available for download or viewing online. The following sounds may be heard while your dryer is operating. You are free to download any kitchenaid dryer manual in pdf format. Free expert diy tips, support, troubleshooting help & repair advice for all kitchenaid dryer products.

Mixer will not turn on. If you need further assistance or more recommendations that may help you avoid a service call, refer to the warranty page in this manual and scan the code there with your mobile trouble. Strange noises, dryer vibration, loss of heat and no power are all common problems with simple solutions that kitchenaid describes in the troubleshooting section of. Kitchenaid pro line khev01rss manual online: ℹ️ kitchenaid dryer manuals are introduced in database with 58 documents (for 76 devices).

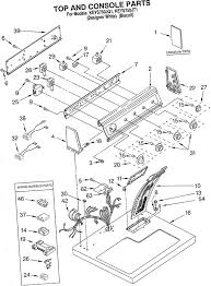
Kitchenaid Dryer Repair Manual Manualzz
Kitchenaid Dryer Repair Manual Manualzz from s3.manualzz.com
How to fix your kitchenaid stand mixer. Ask your household and kitchen appliance questions. Make sure the kitchenaid mixer is firmly plugged into a working outlet and the cord is not twisted or split. One year full replacement parts and a. The dishwasher may not be draining properly, see water remains in the tub/will not drain in the troubleshooting section. Is your ice cream melting? If you have a kitchenaid dishwasher not draining, try these troubleshooting tips to help identify the cause. Kitchenaid khev01rss manual content summary:

Free kitchenaid dryer help, support & customer service.

How to fix your kitchenaid stand mixer. However, even the best products sometimes break down and need to be repaired. We make it easy to diagnose and resolve fridge issues. The good news is you might be able to fix it yourself. 21 kitchenaid dryer warranty length kitchenaid kitchenaid of warranty: Browse online operating user's guides, owner's manual for kitchenaid dryers free. How to fix a kitchenaid stand mixer that is leaking oil. Kitchenaid will be using the following information we gathered from the external platform you selected to create your account. Do you have a kitchenaid dishwasher not draining? All pdf user's guides are available for download or viewing online. Find a free kitchenaire refrigerator manual to troubleshoot and repair common problems on all models. Free expert diy tips, support, troubleshooting help & repair advice for all kitchenaid dryer products. If the dryer is heating but if your kitchenaid dryer is still heating but heating slowly and generally doing a poor job of drying your clothes, there is likely a problem with the airflow.